SCAR污水復合式排氣閥 ARVX自動排氣閥 CARY復合式快速排氣閥 CARX復合式排氣閥 AVAX自動排氣閥
排氣閥
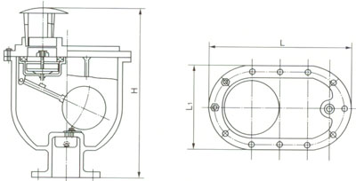
產品概述 CARX復合式排氣閥閥體為圓桶狀,閥門內件包括不銹鋼浮球、杠桿及閥瓣。本閥安裝在泵出口處或配水管線中,用來排隊集積在管中的空氣,以提高管線及水泵的使用效率,當管內一旦產生鋼壓時,此閥迅速吸入外界空氣,以防止管線因負壓而損壞。當管內開始注水時,閥瓣處在開啟的位置,進行大量排氣,當空氣排完時閥內充滿水,浮球上升并帶動閥瓣關閉,停止排氣,當管內水正常輸送時,如有少量空氣聚集在閥內到相當的程度,閥內水位下降,此時空氣由小孔排出。當水泵停止時,管內水流空或遇管內產生負壓,此時塞頭迅速開啟,吸入空氣,確保管線安全。