導航:回首頁---當前位置---閥門產品內容頁 >> D671X對夾式氣動軟密封蝶閥_D671X對夾式氣動軟密封蝶閥價格_報價_CAD圖紙 |
![]() |
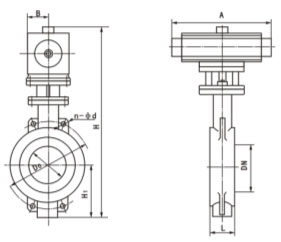
D671X對夾式氣動軟密封蝶閥![]() D671X對夾式氣動軟密封蝶閥 更多信息
|
導航:回首頁---當前位置---閥門產品內容頁 >> D671X對夾式氣動軟密封蝶閥_D671X對夾式氣動軟密封蝶閥價格_報價_CAD圖紙 |
||||||||||||||||
![]() |
||||||||||||||||
D671X對夾式氣動軟密封蝶閥![]() D671X對夾式氣動軟密封蝶閥 更多信息
| ||||||||||||||||
|