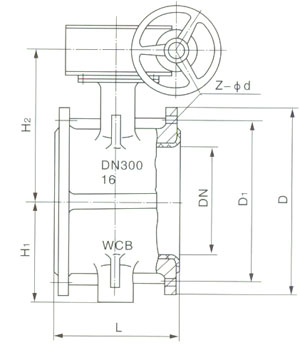
D373H蝸輪傳動對夾式硬密封蝶閥 三偏心金屬硬密封蝶閥 HDQ741X蓄能罐式全液控止回蝶閥 HDB741X重錘式液控止回蝶閥 D341X-6、10、16蝸輪軟密封蝶閥 D971X對夾式電動軟密封蝶閥 ZPAD電動調節蝶閥 HDQ741X蓄能罐式全液控制止回閥 D671X對夾式氣動軟密封蝶閥 D(Q、Z))XF-I(II)電動(氣動、重錘)單(雙)層卸灰閥 F942W-0.1c型電動分料閥 F43X-0.5/1/1.5手動扇形盲板閥 電動圓形百葉式調節蝶閥 F743X-0.5/1/1.5液動扇形盲板閥 電動矩形百葉式調節蝶閥 ZAJW-1C(P)、D941W-1C(P)電動通風蝶閥 D371X對夾式蝸輪傳動軟密封蝶閥 軟密封蝶閥 軟密封蝶閥 D643H氣動硬密封蝶閥 D673H氣動對夾式硬密封蝶閥 D341F襯氟蝶閥 D371F襯氟蝶閥 消防專用蝶閥 D943H電動硬密封蝶閥 D343H蝸輪傳動硬密封蝶閥 GD341X-6、10、16型管網蝶閥 D973H電動對夾式硬密封蝶閥 D73H-10、16、25對夾式硬密封蝶閥 D941X-6、10、16電動軟密封蝶閥 D641X-6、10、16氣動軟密封蝶閥 SZ1/9T手(電)動圓閘門 SZ2/9T手(電)動方閘門 TSX/JE-6\10\16\25系列法蘭式管道伸縮器 F943X-0.5/1/1.5電動扇形盲板閥 VSSJA單、雙法蘭式管道限位伸縮器 QS、QD型系列啟閉機 D347X-1、D647X-1、D947X-1煤氣蝶閥 D341W-1C(P)、D41W-1C(P)蝸輪、手動通風蝶閥 D641W-1C(P)、ZM(S、L)AW-1C(P)氣動調節通風蝶閥 D363H-1.0(1.6、2.5)D963H-1.0(1.6、2.5)對焊式硬密封蝶閥
蝶閥