導航:回首頁---當前位置---閥門產品內容頁 >> VSSJA單、雙法蘭式管道限位伸縮器_VSSJA單、雙法蘭式管道限位伸縮器價格_報價_CAD圖紙 |
|
![]() |
|
蝶閥
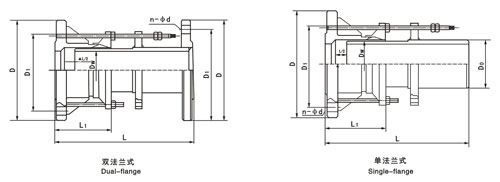
VSSJA單、雙法蘭式管道限位伸縮器
VSSJA單、雙法蘭式管道限位伸縮器更多信息
用途 限位拉伸器,在管道允許伸縮量種可以自由伸縮,一旦越過其最大伸縮量就起到限位,確保管道的安全運行,特別在有振動或有一定斜度及在拐彎 的管路種的連接尤為適用。 采用標準 法蘭連接尺寸: GB4216.3-84; GB4216.4-84; GB9115.8-88; 壓力試驗:GB/T13927-92 主要外形連接尺寸
| |

